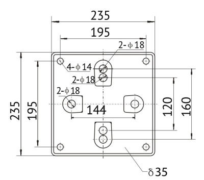
Присоединительная база (тип БАЗА А)
Размеры присоединительной базы указаны на рисунке:
 |
|
Присоединительная база (тип БАЗА А) для насосов TG32-18/2 - TG100-33/2T
Присоединительная база тип А подходит для насосов:
TG 32-18/2T
TG 32-21/2T
TG 32-25/2T
TG 32-32/2T
TG 32-38/2T
TG 32-50/2T
TG 40-16/2T
TG 40-20/2T
TG 40-18/2T
TG 40-25/2T
TG 40-30/2T
TG 40-36/2T
TG 40-48/2T
TG 50-12/2T |
TG 50-15/2T
TG 50-18/2T
TG 50-24/2T
TG 50-28/2T
TG 50-35/2T
TG 50-40/2T
TG 50-50/2T
TG 50-60/2T
TG 50-70/2T
TG 50-81/2T
TG 65-15/2T
TG 65-19/2T
TG 65-22/2T
TG 65-30/2T
TG 65-34/2T |
TG 65-40/2T
TG 65-50/2T
TG 65-61/2T
TG 65-67/2T
TG 65-83/2T
TG 80-13/2T
TG 80-18/2T
TG 80-22/2T
TG 80-28/2T
TG 80-30/2T
TG 80-38/2T
TG 80-47/2T |
TG 80-54/2T
TG 80-67/2T
TG 100-9/2 T
TG 100-15/2T
TG 100-17/2T
TG 100-22/2T
TG 100-27/2T
TG 100-33/2T |
| |
|
|
|
|