Поставка оборудования для систем

отопления, водоснабжения, канализации.

Профессиональный инструмент из первых рук

+7(495)735-66-17
моб. 8(985)-886-54-95

Адрес: Москва, Мичуринский пр-т, ул. Олимпийская деревня, дом 4, стр.1 (Схема проезда)

Время работы: пн-пт с 9:00-18:00

ПРОДУКЦИЯ
УСЛУГИ
Реализуемая продукция:
   
Реализованные проекты
Проект системы отопления коттеджа
Проект системы газового отопления дачи
Проект системы отопления, водоснабжения, канализации и вентиляции
Главная arrow Насосы arrow Насосы Wellmix arrow Насосы Wellmix TG arrow Присоединительная база (тип БАЗА Б)

Присоединительная база (тип БАЗА Б), Артикул: 12019935

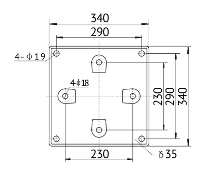
Размеры присоединительной базы указаны на рисунке:

 

Присоединительная база (тип БАЗА Б) для насосов TG100-40/2T - TG100-52/2T

Присоединительная база тип Б подходит для насосов:


TG 100-40/2T
TG 100-48/2T
TG 100-52/2T

  »
Согласие на обработку данных Обработка персональных данных Ограничения ответственности