Насос Wellmix WRS 32/40-180 B, Артикул: 17109978
 |
Гидравлические характеристики:

|
Циркуляционный насос WRS 32 В (монтажная длина 180 мм, корпус - латунь)
Циркуляционные насосы серии WRS предназначены для обеспечения принудительной циркуляции теплоносителя в системах радиаторного отопления и системах отопления типа «теплый пол».
Для использования в системах горячего, холодного и питьевого водоснабжения рекомендуем применять модели с индексом N (корпус из нержавеющей стали) или B (корпус из латуни).
Описание
- исполнение насоса с «мокрым ротором»
- ротор двигателя в процессе работы омывается перекачиваемой жидкостью;
- насос монтируется непосредственно на трубопровод;
- для выбора оптимального режима работы, насос имеет три скорости, изменяемые ручным переключателем.
Рабочие жидкости:
- вода;
- чистые, неагрессивные, взрывобезопасные жидкости, без твердых или длинноволокнистых включений, а также примесей, содержащих минеральные масла;
- допускается применение специальных антифризов для систем отопления на основе гликоля с концентрацией не более 50%.
ВНИМАНИЕ! При перекачивании раствора гликоля в концентрации более 20% требуется учитывать поправки гидравлических характеристик насоса
.
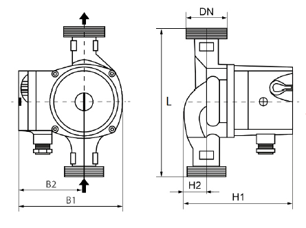
Габаритные и присоединительные размеры:

| Модель |
Артикул |
Кол-во скоростей |
Напряжение, В |
DN |
L, мм |
H1, мм |
B1, мм |
| WRS 32/40-180 В |
17109978 |
3 скорости |
220 |
32 |
180 |
133 |
127 |
| WRS 32/60-180 В |
17109977 |
3 скорости |
220 |
32 |
180 |
133 |
127 |
Технические характеристики WRS 32/40-180 B
| Мощность, кВт |
0,072 |
| Напряжение, В |
220 |
| Номинальный ток, А |
0.31 |
| Максимальный напор, м |
4.8 |
| Расход, м3/ч |
2.9 |
| Материал корпуса |
Латунь |
| Материал рабочего колеса |
Композит |
| Стандарт подключения |
Резьба G |
| Патрубок на стороне всасывания |
DN 32 |
| Патрубок на напорной стороне |
DN 32 |
| Монтажная длина, мм |
180 |
| Масса, кг |
2.6 |
| Максимальное рабочее давление, бар |
10 |
| Температура перекачиваемой жидкости, °С |
+2… +110 С |
| Максимальная температура окружающей среды, °С |
+40 |
|