Насос Wellmix WRS 32-80 180 N
 |
Гидравлические характеристики:

|
Циркуляционный насос Wellmix WRS 32-80 180 N, Артикул: 17049999
Циркуляционный насос WRS 32/80 N (корпус из нержавеющей стали) являются насосами с «мокрым ротором», ротор двигателя в процессе работы омывается перекачиваемой жидкостью. WRS предназначены для обеспечения принудительной циркуляции теплоносителя в системах радиаторного отопления и системах отопления типа «теплый пол».
Для использования в системах горячего, холодного и питьевого водоснабжения рекомендуем применять модели с индексом N (корпус из нержавеющей стали) или B (корпус из латуни)
Описание
- исполнение насоса с «мокрым ротором»
- ротор двигателя в процессе работы омывается перекачиваемой жидкостью;
- насос монтируется непосредственно на трубопровод;
- для выбора оптимального режима работы, насос имеет три скорости, изменяемые ручным переключателем.
- присоединительные фитинги, входящие в комплект поставки насоса , выполнены из латуни.
Рабочие жидкости:
- вода;
- чистые, неагрессивные, взрывобезопасные жидкости, без твердых или длинноволокнистых включений, а также примесей, содержащих минеральные масла;
- допускается применение специальных антифризов для систем отопления на основе гликоля с концентрацией не более 50%.
ВНИМАНИЕ! При перекачивании раствора гликоля в концентрации более 20% требуется учитывать поправки гидравлических характеристик насоса
.
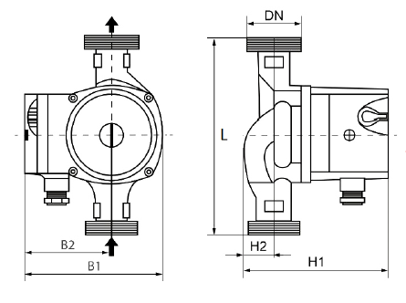
Габаритные и присоединительные размеры:

| Модель |
G |
L1, мм |
L2, мм |
H1, мм |
H2, мм |
B1, мм |
B2, мм |
| WRS 32/80-180N |
2" |
180 |
90 |
135 |
35 |
145 |
95 |
Технические характеристики WRS 32-80 180 N
| Мощность, кВт |
0,225 |
| Напряжение, В |
220 |
| Номинальный ток, А |
1.12 |
| Максимальный напор, м |
8 |
| Расход, м3/ч |
10.5 |
| Материал корпуса |
Нержавеющая сталь |
| Материал рабочего колеса |
Композит |
| Стандарт подключения |
Резьба |
| Патрубок на стороне всасывания |
2" |
| Патрубок на напорной стороне |
2" |
| Монтажная длина, мм |
180 |
| Масса, кг |
0 |
| Максимальное рабочее давление, бар |
10 |
| Температура перекачиваемой жидкости, °С |
+2...+110 |
| Максимальная температура окружающей среды, °С |
+40 |
|