Вертикальный насос Wellmix CV 15-1
 |
Диаграмма характеристик

|
Вертикальные многоступенчатые центробежные насосы Wellmix in-line CV 15-1
Насосы CV 15-1 представляют собой вертикальные многоступенчатые центробежные насосы с нормальным всасыванием со стандартным электродвигателем.
Насос состоит из основания и головной части. Промежуточные камеры и цилиндрический кожух соединены между собой, а также с основанием и головной частью при помощи стяжных болтов. Всасывающий и напорный патрубки находятся в основании насоса и расположены соосно (конструкция «ин-лайн»), что позволяет устанавливать насос на горизонтальном трубопроводе. Все насосы оснащаются необслуживаемым торцевым механическим уплотнением вала картриджевого типа.
Водоснабжение
- Фильтрация и перекачивание воды для станций водоснабжения
- Распределение воды из гидроузла
- Повышение давления в магистральных трубопроводах
- Повышение давления в высотных зданиях, гостиничных комплексах и т. п.
- Повышение давления в промышленных установках
Промышленность
Повышение давления:
- в системах водоснабжения для технологических целей
- в моечных установках и системах очистки
- на автомойках
- в системах пожаротушения
Перекачивание жидкости:
- в системах охлаждения и кондиционирования воздуха
- в системах питания котлов и удаления конденсата
- в системах охлаждения металлорежущих станков (подача смазочно-охлаждающей жидкости)
- в рыбоводстве
Перекачивание:
- растворов масел и спиртов
- гликолей и охлаждающих жидкостей
Водоочистка плавательных бассейнов
Ирригация
- Гидромелиорация полей (орошение)
- Дождевальные установки
- Капельное орошение
Таблица характеристик
| Модель |
Мощность
P₂ (кВт) |
Q (м³/ч) |
8,0 |
10 |
12 |
14 |
15 |
16 |
18 |
20 |
22 |
24 |
| CV 15-1 |
1,1 |
H (м)
|
14 |
13 |
12 |
11,5 |
11 |
10,5 |
10 |
9 |
8 |
7 |
| CV 15-2 |
2,2
|
26 |
25 |
24 |
23 |
22 |
21 |
20 |
18 |
16 |
14 |
| CV 15-3 |
3,0 |
39 |
38 |
37 |
34 |
33 |
31 |
29 |
27 |
24 |
20 |
| CV 15-4 |
4,0
|
52 |
50 |
48 |
46 |
44 |
43 |
40 |
36 |
31 |
26 |
| CV 15-5 |
4,0
|
66 |
64 |
61 |
58 |
56 |
54 |
50 |
45 |
39 |
33 |
| CV 15-6 |
5,5 |
80 |
78 |
75 |
70 |
67 |
65 |
60 |
54 |
47 |
41 |
| CV 15-7 |
5,5
|
94 |
92 |
88 |
83 |
80 |
78 |
71 |
64 |
56 |
50 |
| CV 15-8 |
7,5
|
108 |
105 |
101 |
96 |
93 |
90 |
83 |
75 |
66 |
57 |
| CV 15-9 |
7,5
|
122 |
119 |
115 |
109 |
106 |
103 |
95
|
87 |
77 |
66 |
| CV 15-10 |
11
|
136 |
133 |
128 |
123 |
120 |
116 |
107
|
98 |
86 |
76 |
| CV 15-12 |
11 |
158 |
155 |
150 |
144 |
140 |
135 |
126
|
116 |
102 |
89 |
| CV 15-14 |
11
|
183 |
178 |
172 |
165 |
162 |
156 |
145
|
133 |
118 |
103 |
| CV 15-16 |
15
|
210 |
204 |
197 |
190 |
185 |
179 |
168
|
153 |
137 |
118 |
| CV 15-17 |
15
|
224 |
218 |
212 |
203 |
198 |
193 |
181
|
166 |
151 |
129 |
Конструкция и материалы

| № |
Описание детали |
Материал |
EN/DIN |
AISI/ASTM |
| 1 |
Электродвигатель |
|
|
|
| 2 |
Муфта вала |
|
|
|
| 3 |
Головная часть насоса |
Чугун |
EN-JL 1030 |
ASTM 25B |
| 4 |
Торцевое уплотнение вала |
|
|
|
| 5 |
Вал |
Нержавеющая сталь |
1.4507 |
AISI 420 |
| 6 |
Напорный канал |
Нержавеющая сталь |
1.4301 |
AISI 304 |
| 7 |
Рабочее колесо |
Нержавеющая сталь |
1.4301 |
AISI 304 |
| 8 |
Блок рабочих колес |
Нержавеющая сталь |
1.4301 |
AISI 304 |
| 9 |
Всасывающий канал |
Нержавеющая сталь |
1.4301 |
AISI 304 |
| 10 |
Основание |
Чугун |
EN-JL 1030 |
ASTM 25B |
| 11 |
Щелевое уплотнение |
PTFE |
|
|
| 12 |
Цилиндрический кожух |
Нержавеющая сталь |
1.4301 |
AISI 304 |
| 13 |
Уплотнение кожуха |
EPDM/FKM |
|
|
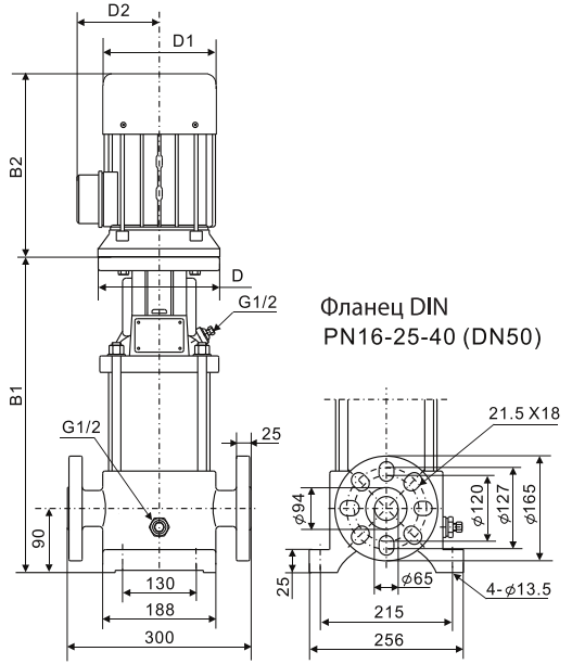
Габаритный чертеж

Размеры и масса
| Модель |
Размер, мм |
Масса, кг |
| B1 |
B2 |
B1+B2 |
D |
D1 |
D2 |
| CV 15-1 |
353 |
241 |
594 |
- |
154 |
111 |
45 |
| CV 15-2 |
406 |
275/293 |
681/699 |
- |
177 |
116 |
50 |
| CV 15-3 |
451 |
293 |
744 |
- |
177 |
116 |
55 |
| CV 15-4 |
516 |
305
|
821 |
- |
197 |
148 |
60 |
| CV 15-5 |
561 |
305
|
866 |
- |
197 |
148 |
63 |
| CV 15-6 |
627 |
390
|
1017 |
300 |
275 |
210
|
93 |
| CV 15-7 |
672 |
390
|
1062 |
300 |
275 |
210
|
97 |
| CV 15-8 |
717 |
390 |
1107 |
300 |
275 |
210
|
100 |
| CV 15-9 |
762 |
390
|
1152 |
300 |
275
|
210
|
102 |
| CV 15-10 |
827 |
505
|
1332 |
350 |
330
|
255
|
145 |
| CV 15-12 |
917 |
505
|
1422 |
350 |
330
|
255
|
150 |
| CV 15-14 |
1007 |
505
|
1512 |
350 |
330
|
255
|
152 |
| CV 15-16 |
1097 |
505
|
1602 |
350 |
330 |
255 |
153 |
| CV 15-17 |
1142 |
505 |
1647 |
350 |
330
|
255 |
165 |
|