Насос Wellmix CMI 2-20-BQCE
Горизонтальный многоступенчатый насос Wellmix CMI 2-20-BQCE
CMI – серия горизонтальных многоступенчатых насосов с гидравлической частью из нержавеющий стали.
Насосы CMI предназначены для перекачивания чистой воды и жидкостей, химически не агрессивных к материалам насоса.
Присоединение насоса к трубопроводам резьбовое.
ОСОБЕННОСТИ КОНСТРУКЦИИ
– все компоненты гидравлической части выполнены из нержавеющей стали
– многоступенчатые камеры с рабочими колеса находятся в едином корпусе
– рабочие колеса смонтированы на единый вал с электродвигателем
– компактные габаритные размеры
ОБЛАСТИ ПРИМЕНЕНИЯ
– перекачивание воды в системах водоснабжения;
– повышение давления в высотных зданиях, промышленных установках;
– перекачивание воды в системах сверхтонкой фильтрации и обратного осмоса;
– перекачивание производственных технологических жидкостей;
– перекачивание жидкости в системах отопления, кондиционирования, вентиляции;
– системы пожаротушения.
УСЛОВИЯ ЭКСПЛУАТАЦИИ
Насос не предназначен для установки в условиях воздействия агрессивных и взрывоопасных сред. Относительная влажность воздуха не должна превышать 95%, температура окружающей среды должна находится в диапазоне от 0 до +50 °С.
Если температура окружающей среды превышает рекомендованную максимальную температуру, то эксплуатировать электродвигатель в режиме полной нагрузки не рекомендуется по причине недостаточного охлаждения. В таких случаях необходимо использовать электродвигатель большей мощности.
Температура перекачиваемой жидкости должна находится в диапазоне от -20 до +120 °С. Максимальное рабочее давление составляет 10 бар.

| № |
Наименование |
№ |
Наименование |
| 1 |
Транспортировочная заглушка |
12 |
Рабочее колесо |
| 2 |
Заглушка |
13 |
Промежуточная рабочая камера |
| 3 |
Уплотнительное кольцо |
14 |
Длинная втулка |
| 4 |
Стяжной болт |
15 |
Диффузор |
| 5 |
Передняя крышка насоса |
16 |
Короткая втулка |
| 6 |
Корпус насоса |
17 |
Шайба |
| 7 |
Уплотнительное кольцо |
18 |
Торцевое уплотнение |
| 8 |
Гайка |
19 |
Уплотнительное кольцо |
| 9 |
Гравёр |
20 |
Задняя крышка насоса |
| 10 |
Гайка прижимная |
21 |
Электродвигаель |
| 11 |
Первая рабочая камера |
|
|
ЭЛЕКТРОДВИГАТЕЛЬ
Насосы CMI оснащаются электродвигателями закрытого типа с вентиляторным охлаждением. Ча- стота вращения вала составляет 2900 об/мин, мощность - от 0,25 до 4,0 кВт.
Питание электродвигателя осуществляется от сети с напряжением 220В или 380В и частотой 50 Гц. Степень пыле- и влагозащиты: IP55, класс изоляции F.
Класс энергоэффективности 1-фазных двигателей – IE1, 3-фазных – IE2.
| Модель |
Артикул |
Qном, м3/ч |
Нном, м |
Р2, кВт |
Напряжение, В |
Ток, А |
Защита по току |
Масса, кг |
| CMI 2-20-BQCE |
28019987 |
2 |
18 |
0,25 |
1х220 |
2 |
есть |
7,4 |
| CMI 2-20T-BQCE |
28019986 |
2 |
18 |
0,25 |
3х380 |
0,7 |
нет |
7,4 |
| CMI 2-30-BQCE |
28019985 |
2 |
24 |
0,37 |
1х220 |
2,4 |
есть |
7,5 |
| CMI 2-30T-BQCE |
28019984 |
2 |
24 |
0,37 |
3х380 |
1 |
нет |
7,5 |
| CMI 2-40-BQCE |
28019983 |
2 |
33 |
0,55 |
1х220 |
3,8 |
есть |
10 |
| CMI 2-40T-BQCE |
28019982 |
2 |
33 |
0,55 |
3х380 |
1,4 |
нет |
10 |
| CMI 2-50-BQCE |
28019981 |
2 |
40 |
0,55 |
1х220 |
3,8 |
есть |
10,5 |
| CMI 2-50T-BQCE |
28019980 |
2 |
40 |
0,55 |
3х380 |
1,4 |
нет |
10,5 |
| CMI 2-60-BQCE |
28019979 |
2 |
47 |
0,75 |
1х220 |
5,2 |
есть |
12 |
| CMI 2-60T-BQCE |
28019978 |
2 |
47 |
0,75 |
3х380 |
1,8 |
нет |
12 |
| CMI 2-70-BQCE |
28019977 |
2 |
57 |
1 |
1х220 |
6,2 |
есть |
13 |
| CMI 2-70T-BQCE |
28019976 |
2 |
57 |
1 |
3х380 |
2,4 |
нет |
13 |

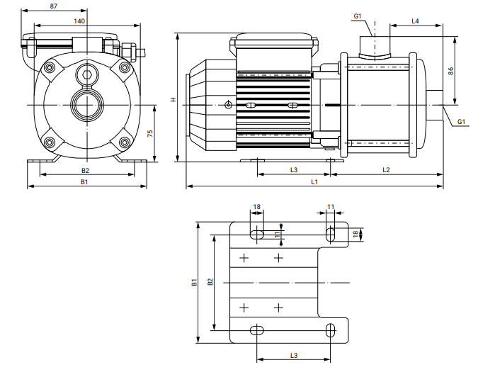
Модель
|
Размеры, мм |
| L1 |
L2 |
L3 |
L4 |
H |
B1 |
B2 |
| CMI 2-20-BQCE |
318 |
128 |
96 |
68 |
170 |
158 |
125 |
| CMI 2-20T-BQCE |
318 |
128 |
96 |
68 |
174 |
158 |
125 |
| CMI 2-30-BQCE |
318 |
128 |
96 |
68 |
170 |
158 |
125 |
| CMI 2-30T-BQCE |
318 |
128 |
96 |
68 |
174 |
158 |
125 |
| CMI 2-40-BQCE |
336 |
146 |
96 |
86 |
170 |
158 |
125 |
| CMI 2-40T-BQCE |
336 |
146 |
96 |
86 |
174 |
158 |
125 |
| CMI 2-50-BQCE |
354 |
164 |
96 |
104 |
170 |
158 |
125 |
| CMI 2-50T-BQCE |
354 |
164 |
96 |
104 |
174 |
158 |
125 |
| CMI 2-60-BQCE |
416 |
199 |
96 |
140 |
180 |
158 |
125 |
| CMI 2-60T-BQCE |
416 |
199 |
96 |
140 |
188 |
158 |
125 |
| CMI 2-70-BQCE |
416 |
199 |
96 |
140 |
184 |
158 |
125 |
| CMI 2-70T-BQCE |
416 |
199 |
96 |
140 |
188 |
158 |
125 |
Гарантийный срок на насосы WELLMIX составляет 2 года со дня продажи.
|