Насос Wellmix CMI 12-10-BQCE
Горизонтальный многоступенчатый насос Wellmix CMI 12-10-BQCE
CMI – серия горизонтальных многоступенчатых насосов с гидравлической частью из нержавеющий стали.
Насосы CMI предназначены для перекачивания чистой воды и жидкостей, химически не агрессивных к материалам насоса.
Присоединение насоса к трубопроводам резьбовое.
ОСОБЕННОСТИ КОНСТРУКЦИИ
– все компоненты гидравлической части выполнены из нержавеющей стали
– многоступенчатые камеры с рабочими колеса находятся в едином корпусе
– рабочие колеса смонтированы на единый вал с электродвигателем
– компактные габаритные размеры
ОБЛАСТИ ПРИМЕНЕНИЯ
– перекачивание воды в системах водоснабжения;
– повышение давления в высотных зданиях, промышленных установках;
– перекачивание воды в системах сверхтонкой фильтрации и обратного осмоса;
– перекачивание производственных технологических жидкостей;
– перекачивание жидкости в системах отопления, кондиционирования, вентиляции;
– системы пожаротушения.
УСЛОВИЯ ЭКСПЛУАТАЦИИ
Насос не предназначен для установки в условиях воздействия агрессивных и взрывоопасных сред. Относительная влажность воздуха не должна превышать 95%, температура окружающей среды должна находится в диапазоне от 0 до +50 °С.
Если температура окружающей среды превышает рекомендованную максимальную температуру, то эксплуатировать электродвигатель в режиме полной нагрузки не рекомендуется по причине недостаточного охлаждения. В таких случаях необходимо использовать электродвигатель большей мощности.
Температура перекачиваемой жидкости должна находится в диапазоне от -20 до +120 °С. Максимальное рабочее давление составляет 10 бар.

| № |
Наименование |
№ |
Наименование |
| 1 |
Транспортировочная заглушка |
12 |
Рабочее колесо |
| 2 |
Заглушка |
13 |
Промежуточная рабочая камера |
| 3 |
Уплотнительное кольцо |
14 |
Длинная втулка |
| 4 |
Стяжной болт |
15 |
Диффузор |
| 5 |
Передняя крышка насоса |
16 |
Короткая втулка |
| 6 |
Корпус насоса |
17 |
Шайба |
| 7 |
Уплотнительное кольцо |
18 |
Торцевое уплотнение |
| 8 |
Гайка |
19 |
Уплотнительное кольцо |
| 9 |
Гравёр |
20 |
Задняя крышка насоса |
| 10 |
Гайка прижимная |
21 |
Электродвигаель |
| 11 |
Первая рабочая камера |
|
|
ЭЛЕКТРОДВИГАТЕЛЬ
Насосы CMI оснащаются электродвигателями закрытого типа с вентиляторным охлаждением. Ча- стота вращения вала составляет 2900 об/мин, мощность - от 0,25 до 4,0 кВт.
Питание электродвигателя осуществляется от сети с напряжением 220В или 380В и частотой 50 Гц. Степень пыле- и влагозащиты: IP55, класс изоляции F.
Класс энергоэффективности 1-фазных двигателей – IE1, 3-фазных – IE2.
| Модель |
Артикул |
Qном, м3/ч |
Нном, м |
Р2, кВт |
Напряжение, В |
Ток, А |
Защита по току |
Масса, кг |
| CMI 12-10-BQCE |
28019906 |
12 |
14 |
1 |
1х220 |
6,2 |
есть |
11 |
| CMI 12-10T-BQCE |
28019905 |
12 |
14 |
1 |
3х380 |
2,4 |
нет |
11 |
| CMI 12-15-BQCE |
28019904 |
12 |
20 |
1,5 |
1х220 |
9,2 |
есть |
13 |
| CMI 12-15T-BQCE |
28019903 |
12 |
20 |
1,5 |
3х380 |
3,5 |
нет |
13 |
| CMI 12-20-BQCE |
28019902 |
12 |
29 |
1,85 |
1х220 |
13 |
есть |
20 |
| CMI 12-20T-BQCE |
28019901 |
12 |
29 |
1,85 |
3х380 |
4,1 |
нет |
20 |
| CMI 12-25-BQCE |
28019900 |
12 |
34 |
2,2 |
1х220 |
14 |
есть |
23 |
| CMI 12-25T-BQCE |
28019899 |
12 |
34 |
2,2 |
3х380 |
4,9 |
нет |
23 |
| CMI 12-30T-BQCE |
28019898 |
12 |
39 |
3 |
3х380 |
6,3 |
нет |
26 |

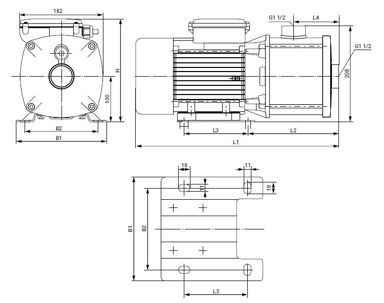
Модель
|
Размеры, мм |
| L1 |
L2 |
L3 |
L4 |
H |
B1 |
B2 |
| CMI 12-10-BQCE |
377 |
185 |
96 |
100 |
206 |
158 |
125 |
| CMI 12-10T-BQCE |
377 |
185 |
96 |
100 |
212 |
158 |
125 |
| CMI 12-15-BQCE |
402 |
200 |
96 |
100 |
232 |
158 |
125 |
| CMI 12-15T-BQCE |
402 |
200 |
96 |
100 |
217 |
158 |
125 |
| CMI 12-20-BQCE |
449 |
200 |
140 |
100 |
244 |
199 |
160 |
| CMI 12-20T-BQCE |
402 |
200 |
96 |
100 |
217 |
158 |
125 |
| CMI 12-25-BQCE |
449 |
200 |
140 |
100 |
244 |
199 |
160 |
| CMI 12-25T-BQCE |
402 |
200 |
96 |
100 |
217 |
158 |
125 |
| CMI 12-30T-BQCE |
469 |
200 |
140 |
100 |
212 |
199 |
160 |
Гарантийный срок на насосы WELLMIX составляет 2 года со дня продажи.
|