Горизонтальный насос Wellmix CUC 12-10
Горизонтальный многоступенчатый центробежный насос Wellmix CUC 12-10
Горизонтальный многоступенчатый насос Wellmix CUC 12-10 предназначен для циркуляции и перекачивания жидкостей в промышленных и коммунальных системах. Насос оснащен осевым всасывающим и радиальным напорным патрубками, имеет промежуточные камеры с надежным болтовым соединением и картриджное торцевое уплотнение для длительной работы без обслуживания.
Промежуточные камеры соединены между собой, а также с основанием и головной частью насоса при помощи стяжных болтов.
Насосы серий CUC оснащаются необслуживаемым торцевым механическим уплотнением вала картриджевого типа.
Области применения
- перекачивание воды в системах водоснабжения;
- повышение давления в высотных зданиях, промышленных установках;
- перекачивание воды в системах сверхтонкой фильтрации и обратного осмоса;
- перекачивание производственных технологических жидкостей;
- перекачивание жидкости в системах отопления, кондиционирования, вентиляции.
Насосы серий CUC применяются для циркуляции/перекачивания жидкости и повышения давления холодных или горячих жидкостей без твердых длинноволокнистых включений.
Технические характеристики Wellmix CUC 12-10
| Мощность, кВт |
1 |
| Напряжение, В |
220 |
| Число фаз питания электродвигателя |
1 фаза |
| Номинальный ток, А |
6,2 |
| Максимальный напор, м |
19 |
| Расход, м3/ч |
12 |
| Материал корпуса |
Нержавеющая сталь AISI 304 |
| Материал рабочего колеса |
Нержавеющая сталь AISI 304 |
| Стандарт подключения |
G |
| Патрубок на стороне всасывания |
1 1/2" |
| Патрубок на напорной стороне |
1 1/2" |
| Масса, кг |
14 |
| Максимальное рабочее давление, бар |
10 |
| Температура перекачиваемой жидкости, °С |
-20...+120 |
| Максимальная температура окружающей среды, °С |
+ 50 |
| Область применения |
Водоснабжение/повышение давления |
Таблица характеристик
| Модель |
Мощность Р2,
кВт |
Q,
м3/ч |
6,0 |
7,0 |
8,0 |
9,0 |
10 |
11 |
12 |
13 |
14 |
| CUC 12-10 |
0,55 |
Н, м
|
15 |
14 |
13 |
12,5 |
12 |
9 |
8 |
12 |
10,5 |
| CUC 12-15 |
0,75 |
25 |
23 |
22 |
21 |
20 |
14 |
12 |
18 |
15 |
| CUC 12-20 |
1,0 |
32 |
29 |
27 |
25 |
24 |
21 |
17 |
24 |
20 |
| CUC 12-25 |
1,5 |
43 |
40 |
38 |
34 |
27 |
25 |
20 |
30,5 |
27 |
| CUC 12-30 |
1,85 |
50 |
46
|
44 |
40
|
36 |
30 |
26 |
35 |
30 |
Конструкция и варианты исполнения

| № |
Деталь |
Материал |
| 1 |
Напорный патрубок |
Нержавеющая сталь AISI 304/ AISI 316 |
| 2 |
Стяжные болты |
Нержавеющая сталь AISI 304/ AISI 316 |
| 3 |
Пакет ступеней |
Нержавеющая сталь AISI 304/ AISI 316 |
| 4 |
Рабочее колесо |
Нержавеющая сталь AISI 304/ AISI 316 |
| 5 |
Вал |
Нержавеющая сталь AISI 304L/ AISI 316 |
| 6 |
Напорный диффузор |
Нержавеющая сталь AISI 304/ AISI 316 |
| 7 |
Напорный патрубок |
Нержавеющая сталь AISI 304/ AISI 316 |
| 8 |
Торцевое уплотнение |
|
| 9 |
Крышка рабочей камеры |
Нержавеющая сталь AISI 304/ AISI 316 |
| 10 |
Уплотнительное кольцо
|
NBR |
| 11 |
Электродвигатель
|
|
| 12 |
Плита-основание |
Сталь A3 |
Условия эксплуатации
- температура рабочей жидкости: -20...+120°С;
- максимальная температура окружающей среды: +50°С;
- максимальное рабочее давление: 10 бар;
- степень защиты: IP55.
Перекачиваемые жидкости
Насосы серии CUC предназначены для перекачивания чистых, маловязких, неагрессивных и взрывобезопасных жидкостей без твердых или длинноволокнистых включений. Перекачиваемая жидкость не должна механически или химически воздействовать на материал насоса. Насосы не предназначены для перекачивания воспламеняющихся или токсичных жидкостей.
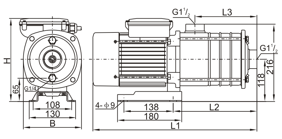
Габаритный чертеж

Размеры и масса
| Модель |
Размеры, мм |
Масса, кг |
| 1-фазн. |
3-фазн. |
| L1 |
L2 |
L3 |
H |
В |
L1 |
L2 |
L3 |
H |
В |
| CUC 12-10T |
340
|
144 |
83 |
227 |
163 |
340 |
144 |
83 |
220 |
163 |
14 |
| CUC 12-15T |
402 |
175 |
113 |
235 |
163 |
402 |
175 |
113 |
225 |
163 |
16 |
| CUC 12-20T |
444 |
175 |
113 |
262 |
168 |
444 |
175 |
113 |
225 |
163 |
24 |
| CUC 12-25T |
474 |
205 |
144 |
262 |
168 |
474 |
205 |
144 |
225 |
163 |
26 |
| CUC 12-30T |
- |
- |
- |
- |
- |
494 |
205 |
144 |
230 |
168 |
28 |
|