Моноблочный насос Wellmix NBW 125-100-315-75.0/2-G

Области применения
— системы повышения давления в коммунальном водоснабжении
— системы повышения давления в производственных зданиях
— системы водоподготовки
— системы пожаротушения
— перекачивание жидкости в системах отопления, кондиционирования, вентиляции
— системы орошения
— циркуляция в климатических системах |
 |
Моноблочный насос Wellmix (Веллмикс) NBW 125-100-315-75.0/2-G купить в Москве
Насос Wellmix NBW 125-100-315-75.0/2-G предназначен для перекачивания чистой воды и жидкостей, химически не агрессивных к материалам насоса.
Насосы являются стандартными одноступенчатыми несамовсасывающими с горизонтально расположенным валом, осевым всасывающим и радиальным напорным патрубками.
Присоединение трубопроводов к насосу фланцевое.
Размеры и номинальные характеристики соответствуют стандарту EN 733. Подача насосов составляет от 0 до 500 м3/ч, напор от 0 до 131 м.
Температура перекачиваемой жидкости от -10 °С до +120 °С.
Условия эксплуатации
Насос не предназначен для установки в условиях воздействия агрессивных и взрывоопасных сред. Относительная влажность воздуха не должна превышать 95%, температура окружающей среды должна находится в диапазоне от -10 °С до +50 °С.
Если температура окружающей среды превышает рекомендованную максимальную температуру или максимальную высоту над уровнем моря, то эксплуатировать электродвигатель в режиме полной нагрузки не рекомендуется по причине недостаточного охлаждения. В таких случая необходимо использовать электродвигатель большей мощности.
Технические характеристики Wellmix NBW 125-100-315-75.0/2-G
| Мощность, кВт |
75 |
| Напряжение, В |
380 |
| Номинальный ток, А |
140 |
| Максимальный напор, м |
80 |
| Расход, м3/ч |
220 |
| Материал рабочего колеса |
Чугун HT 200 |
| Стандарт подключения |
Фланец DIN |
| Патрубок на стороне всасывания |
125 |
| Патрубок на напорной стороне |
100 |
| Масса, кг |
591 |
| Максимальное рабочее давление, бар |
16 |
| Температура перекачиваемой жидкости, °С |
-20...+120 |
| Класс изоляции |
F |
Конструкция

| № |
Деталь |
Материал |
| 1 |
Корпус насоса |
Чугун НТ200 |
| 2 |
Рабочее колесо |
Нерж. сталь AISI 304 / чугун НТ200 |
| 3 |
Торцевое уплотнение |
|
| 4 |
Уплотнительное кольцо |
Резина |
| 5 |
Фонарь |
Чугун НТ200 |
| 6 |
Уплотнение вала |
Резина |
| 7 |
Вал |
Нерж. сталь AISI 304 |
| 8 |
Подшипник |
|
| 9 |
Ротор |
Углеродистая сталь |
| 10 |
Корпус двигателя |
Алюминий |
| 11 |
Дополнительная опора |
Пластик |
| 12 |
Задняя крышка |
Чугун |
| 13 |
Уплотнение вала |
Резина |
| 14 |
Крышка вентилятора |
Алюминий |
| 15 |
Вентилятор охлаждения |
Пластик |
| 16 |
Крепёжный болт |
Сталь |
| 17 |
Крышка платы управления |
Алюминий |
| 18 |
Плата управления |
Пластик |
| 19 |
Крепление рабочего колеса |
Сталь |
| 20 |
Защитный экран |
Резина |
| 21 |
Крепёжный болт |
Сталь |
| 22 |
Гайка рабочего колеса |
Оцинкованная сталь |
| 23 |
Выпускной клапан |
Латунь |
| 24 |
Прокладка фланца |
Резина |
| 25 |
Ответный фланец |
Оцинкованная сталь |
| 26 |
Болты фланца |
Сталь |
Электродвигатель
Насосы NBW оснащаются стандартными электродвигателями закрытого типа с вентиляторным охлаждением. Частота вращения составляет 2900 об/мин (2-полюсные) или 1450 об/мин (4-полюсные). Мощность 2-полюсных двигателей составляет от 0,75 до 160 кВт, мощность 4-полюсных двигателей - от 3 до 132 кВт. Питание электродвигателя осуществляется от сети с напряжением 380В и частотой 50 Гц.
Степень пыле- и влаго-защиты: IP55, класс F.
| Модель |
Артикул |
P, кВт |
Ǫн, м3/ч |
Hн, м |
| NBW 125-100-315-110.0/2-380-G-BQQE |
21069918 |
110 |
286 |
103 |
| NBW 125-100-315-132.0/2-380-G-BQQE |
21069917 |
132 |
293 |
113 |
| NBW 125-100-315-160.0/2-380-G-BQQE |
21069916 |
160 |
305 |
131 |
| NBW 125-100-315-75.0/2-380-G-BQQE |
21069920 |
75 |
275 |
67 |
| NBW 125-100-315-90.0/2-380-G-BQQE |
21069919 |
90 |
279 |
86 |

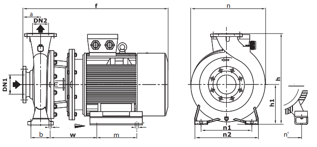
| Модель |
Габаритные и присоединительные размеры, мм |
| a |
f |
h |
h1 |
n |
n1 |
n1' |
n2 |
b |
w |
m |
s1 |
s1' |
| NBW 125-100-315-110.0/2-380-G-BQQE |
140 |
1474 |
625 |
250 |
480 |
315 |
508 |
400 |
120 |
436 |
406 |
19 |
28 |
| NBW 125-100-315-132.0/2-380-G-BQQE |
140 |
1584 |
625 |
250 |
480 |
315 |
508 |
400 |
120 |
436 |
457 |
19 |
28 |
| NBW 125-100-315-160.0/2-380-G-BQQE |
140 |
1584 |
625 |
250 |
480 |
315 |
508 |
400 |
120 |
436 |
508 |
19 |
28 |
| NBW 125-100-315-75.0/2-380-G-BQQE |
140 |
1262 |
625 |
250 |
480 |
315 |
457 |
400 |
120 |
410 |
368 |
19 |
24 |
| NBW 125-100-315-90.0/2-380-G-BQQE |
140 |
1313 |
625 |
250 |
480 |
315 |
457 |
400 |
120 |
410 |
419 |
19 |
24 |
|